markus1
ClioSport Club Member
172 ph1
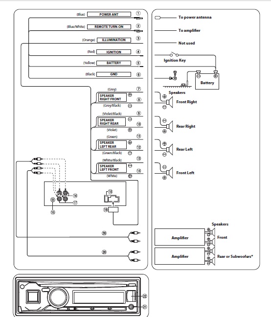
I've just received the Connects2 unit (CTSRN004), for the steering stalk, that fits unfortunately to the non display dash, so I'm going to replace it to the CTSRN003 for the dash display. I own a ph1 172 2001.
The main problem beside that is that my Alpine head unit (CDE-140e) doesn't have the small jack plug input, only an aux input at the front of the player, so I don't know where to plug the Connect2 wire (orange no' 1).
Another thing is it seems I don't have third connection as shown (green no' 2) at the scheme.
Please help me to figure it out and able me to connect the steering stalk :|
Mark

The main problem beside that is that my Alpine head unit (CDE-140e) doesn't have the small jack plug input, only an aux input at the front of the player, so I don't know where to plug the Connect2 wire (orange no' 1).
Another thing is it seems I don't have third connection as shown (green no' 2) at the scheme.
Please help me to figure it out and able me to connect the steering stalk :|
Mark
