ClioSport.net

Register a free account today to become a member!
Once signed in, you'll be able to participate on this site by adding your own topics and posts, as well as connect with other members through your own private inbox!

  • When you purchase through links on our site, we may earn an affiliate commission. Read more here.

HORRIBLE electrical problem - glow plugs / Module. Calling all clued up folk...



Flob

ClioSport Club Member
thumb?id=13892557&m=0&n=0&lng=en&rev=94077976.jpg


0-133-33-glow-plug-controller-main(1).jpg


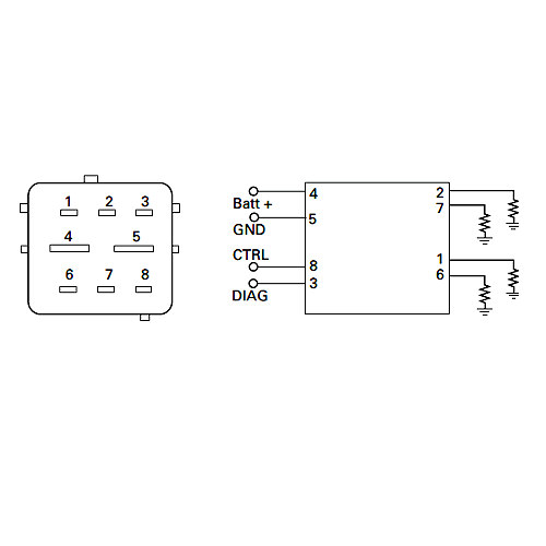
So pin 5 is going to the cam position sensor? then to the ecu??

And within the first few moment of ignition on its not connected to ground? I would ground the mf and see what happens. Then probe the control line. Is that what you meant by ground the thing @npt ?

Looking at that the control line should be high when the ecu is doing nothing, its unclear if the ecu sends a PWM signal to the module or just ground the CTRL to enable glow plug heating.
 
Last edited:

npt

ClioSport Club Member
  BMW 320d- 172 cup
View attachment 1773872

View attachment 1773873

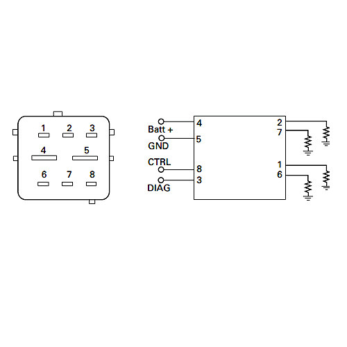
So pin 5 is going to the cam position sensor? then to the ecu??

And within the first few moment of ignition on its not connected to ground? I would ground the mf and see what happens. Then probe the control line. Is that what you meant by ground the thing @npt ?

Looking at that the control line should be high when the ecu is doing nothing, its unclear if the ecu sends a PWM signal to the module or just ground the CTRL to enable glow plug heating.

Yes, but you've got to be careful, just a quick tickle to see if it creates a signal, im guessing it maybe sends the signal through the cam sensor wire to the ecu.

You'll need a new starter by the time we've solved renaults wiring masterpiece 😂 nothings ever easy, I was tracing a speedo sensor issue testing loads of stuff trying to work out the issue, the new sensor i fitted was also fooked, load of annoyance for nothing, new one in and its been fine!

Handy if you had someone with the same car, could swap parts and see if it helps, have all wires had continuity check all the way to ecu plug, im guessing they have?
 

dann2707

ClioSport Club Member
Sorry guys I didn't see these comments.

Spent all day on it yesterday at work, scoping pretty much everything we can and even bought another module to test on the bench so we can get my new module working to replace that one. All works exactly as expected.

Had the director working with me on it as he's clued up with it all.

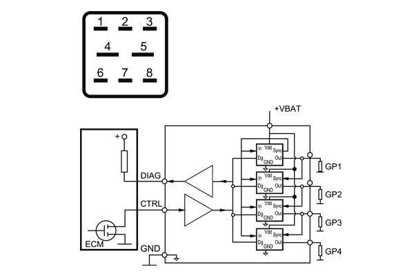
So with pi 8, the control line and I might be regurgitating this incorrectly but he said that it's pulling that signal to ground.

The only way we could get the bulb to light up on the bench was to repeatedly flick the connection so I guess @Flob thats reffering to the pwm signal.

(well aware cables disconnected here 😂)
20260116_082105.jpg




Key points and learning from yesterday:

- When on the car it's getting a signal to the module from the blue wire on ecu. 100% gets a square wave pulse BUT I am concerned that this signal isn't enough / the right signal??

Because:

- Everything else wiring side is fine, the diagnostic line from the ecu is spot on to the glow plug module so much Infact that we snipped it to see what it would do and it wouldn't physically turn the glow plugs on using our Bosch diagnostics kit.

- Another point could be that the fault codes I have are effecting it. I honestly can't see why, but it's Renault so maybe? Proper weird fault codes. See below.

- Straying further and further towards it being an ecu fault I think? Going to take it off next week and have a look inside.

20260115_113956.jpg
 

botfch

ClioSport Club Member
  Clio 182
What’s the start up process for the car, I assume before it even triggers the glow plugs it checks a bunch of sensors which might be causing your fault.

It’s like my car has a stop start issue but it’s because the exterior temperature sensor is faulty.
 

dann2707

ClioSport Club Member
What’s the start up process for the car, I assume before it even triggers the glow plugs it checks a bunch of sensors which might be causing your fault.

It’s like my car has a stop start issue but it’s because the exterior temperature sensor is faulty.
I think you're potentially bang on the money there mate.

I think it's seeing somethings amiss, and not powering them because of a fail safe / precaution. However in answer to your question I'm not actually sure 😭

I think without knowing the strategy I'm going to stuggle to know.

Laughing at this as its obviously more indepth than the surface and when I was playing the other night my neighbour came over to me and he's absolutely sound but went "it'll be your glow plugs". Not in an arsey way but genuinely trying to help.

If only you knew mate 😂
 

I Changed My Name

Not all gingers stink of piss. But I do.
ClioSport Club Member
After going through a f**k tonne of stuff on my Megane I started learning that Renaults start sequence makes no sense

Buggered wheel speed sensors can trigger the ECU to do proper retarded s**t. So can brake light switches and clutch switches. If yours has an exhaust flap that can cause weird issues as well

I also found out that there's like 5 different types of glowplug relays and they all f**king differ too. Found that out when I tried to fit a later relay to my old dCi Clio, it just didn't work

I hope you get this sorted, its actually giving me flashbacks of owning that f**king megane and I really don't like it
 

dann2707

ClioSport Club Member
Weird that it only gives a heating error for circuit 1 which I assume is glow plug 1?

Have you measured resistance of glow plug 1? I know its new. Also done a continuity check on the wiring going to glow plug 1.
I have mate yes, did it on the car and off and both the same and same as the others. Also checked that wire individually with a resistance test and continuity and all okay
 

dann2707

ClioSport Club Member
Have you tried clearing the codes?
I have matey yes. Those 2 instantly return regarding speedo and throttle flap.

After going through a f**k tonne of stuff on my Megane I started learning that Renaults start sequence makes no sense

Buggered wheel speed sensors can trigger the ECU to do proper retarded s**t. So can brake light switches and clutch switches. If yours has an exhaust flap that can cause weird issues as well

I also found out that there's like 5 different types of glowplug relays and they all f**king differ too. Found that out when I tried to fit a later relay to my old dCi Clio, it just didn't work

I hope you get this sorted, its actually giving me flashbacks of owning that f**king megane and I really don't like it
Mate it's awful isn't it, feel like you're learning so much but getting nowhere don't you hahaha

Open circuit suggests broken wire or it's unplugged, but then how does it drive ok 😅

The cruise fault is likely related to it.
With it being diesel the throttle should only really be used during a regen and when switching off the car from my experience so I guess it would drive okay.

It does have the exhaust flap too to get exhaust temps high for a regen so maybe doesn't even use the throttle for regen on this particular engine.
 

I Changed My Name

Not all gingers stink of piss. But I do.
ClioSport Club Member
The diverter valve should be used on startup (mainly just sync position) and shutdown too (smooth shutdown), as well as during a regen. The exhaust flaps are for DPF regen, but some clios have the exhaust flap but no DPF or sport mode which is equally confusing

The amount of hours I've spent translating croatian/Bulgarian/Uzbekistani to English for stupid small gremlins is unreal. My next suggestion was gonna be Mick, but even he was stumped with my Megane 🤣

I hate to say it, but it could genuinely be f**king anything with these. It's actually retarded how something like a rear wheel speed sensor can affect the engine control. Nothing is past the realms of possibility when it comes to Renault CAN control

Kinda feels like telling someone how to suck eggs since you're clued up on this stuff. This must be how @Trainerbrow feels when talking about insulation 👀🤣
 
  megane 285 sport
Could be a break in the potentiometer in the throttle body, not reading the full coil when in a certain throttle poistion hence open circuit, and in another throttle position its reading as a short? Second throttle bodies are pretty cheap on ebay.
 

Brigsy

ClioSport Club Member
  T.Turbo
Download the workshop manual and it will have a repair procedure against the df code - will say if any other components affect operation.
 

dann2707

ClioSport Club Member
So the PWM signal is missing from the ecu Dan? Possibly due to one of the fault codes?
No it's getting a pwm signal buddy from the blue wire (pin 8)
Download the workshop manual and it will have a repair procedure against the df code - will say if any other components affect operation.
Unfortunately I don't have a df code unless I can somehow convert it on this Bosch esitronic software.
Thank you for that though as that is massively useful to know. Do you know where I'd be able to download it?
 

Brigsy

ClioSport Club Member
  T.Turbo
I managed to find the x98 workshop manual quite easy but i believe you need - Technical Note 3929A, Injection fault finding: DIESEL.

MIght need a renault tech to get it if its the right one.

These are off e3 technical but just shows wiring which you have already checked so prob no help - not sure if exact model as i just winged it with a reg.

Screenshot_20260116_101911_Chrome.jpg
Screenshot_20260116_101930_Chrome.jpg
Screenshot_20260116_101947_Chrome.jpg
Screenshot_20260116_102013_Chrome.jpg
 

dann2707

ClioSport Club Member
Think this has everything
Amazing thank you very much man. Will load it up on my pc and have a gander.

I managed to find the x98 workshop manual quite easy but i believe you need - Technical Note 3929A, Injection fault finding: DIESEL.

MIght need a renault tech to get it if its the right one.

These are off e3 technical but just shows wiring which you have already checked so prob no help - not sure if exact model as i just winged it with a reg.

View attachment 1774154View attachment 1774155View attachment 1774156View attachment 1774157
Very helpful, thank you. That looks like a mint thing to have. Just tried going on the website and saying to log in, is that right? Or is there a free/open version do you know?
 

botfch

ClioSport Club Member
  Clio 182
Amazing thank you very much man. Will load it up on my pc and have a gander.


Very helpful, thank you. That looks like a mint thing to have. Just tried going on the website and saying to log in, is that right? Or is there a free/open version do you know?

I won’t lie it’s a nightmare to find what you want it’s 6000 pages long and none of it’s in order.. bloody French.
 

Sash

ClioSport Club Member
  A Yellow One
Thinking I may have to hi-jack this thread for my cars electrical issue! 🙈🤣
 

Brigsy

ClioSport Club Member
  T.Turbo
Very helpful, thank you. That looks like a mint thing to have. Just tried going on the website and saying to log in, is that right? Or is there a free/open version do you know?

Subscription only as far as i know. Decent, just like autodata.
 


Top